叶轮零件扫描与逆向出图
关节臂激光扫描仪现场扫描。
扫描获得点云数据
根据扫描数据逆向建模,获得逆向实体模型
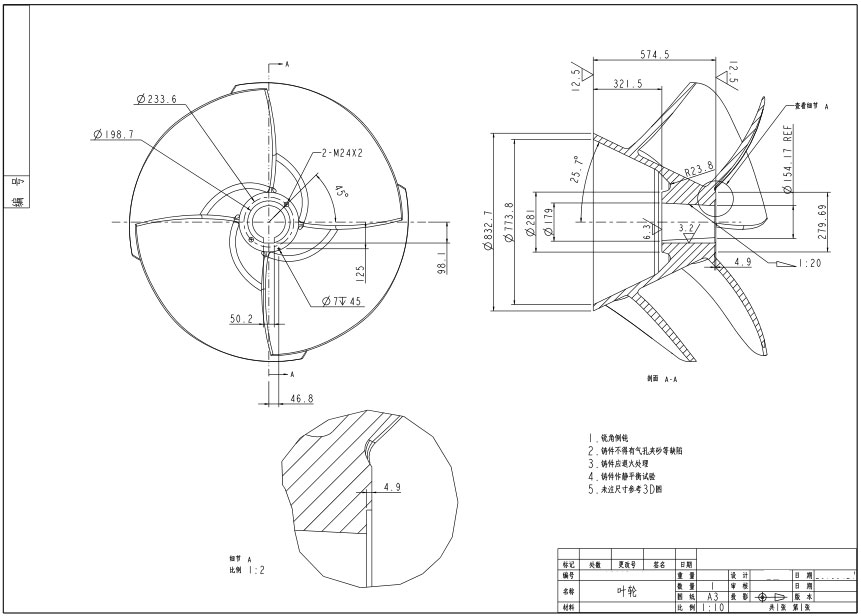
2D图纸
案例说明
客户根据逆向图纸进行设计确认,补充公差标准、工艺要求等后,进行加工制造。对加工得到的叶轮样品再进行扫描,扫描数据与设计3D进行对比,检测加工是否合格。
服务亮点
现场扫描采用关节臂激光扫描仪,手持扫描头灵活,效率高,精度是0.02mm。
- 大型矿业设备现场测绘
- 这已经是最后一篇了




